Atlas 1602, **02 Fahrmotor / Drive Motor

Platz für Diskussionen und Lösungen rund um Reparaturen
Benutzeravatar
Webmaster
Beiträge: 2451
Registriert: Sa 12. Jan 2013, 10:46

Re: Atlas 1602, **02 Fahrmotor / Drive Motor

Beitrag von Webmaster » So 15. Feb 2015, 14:12

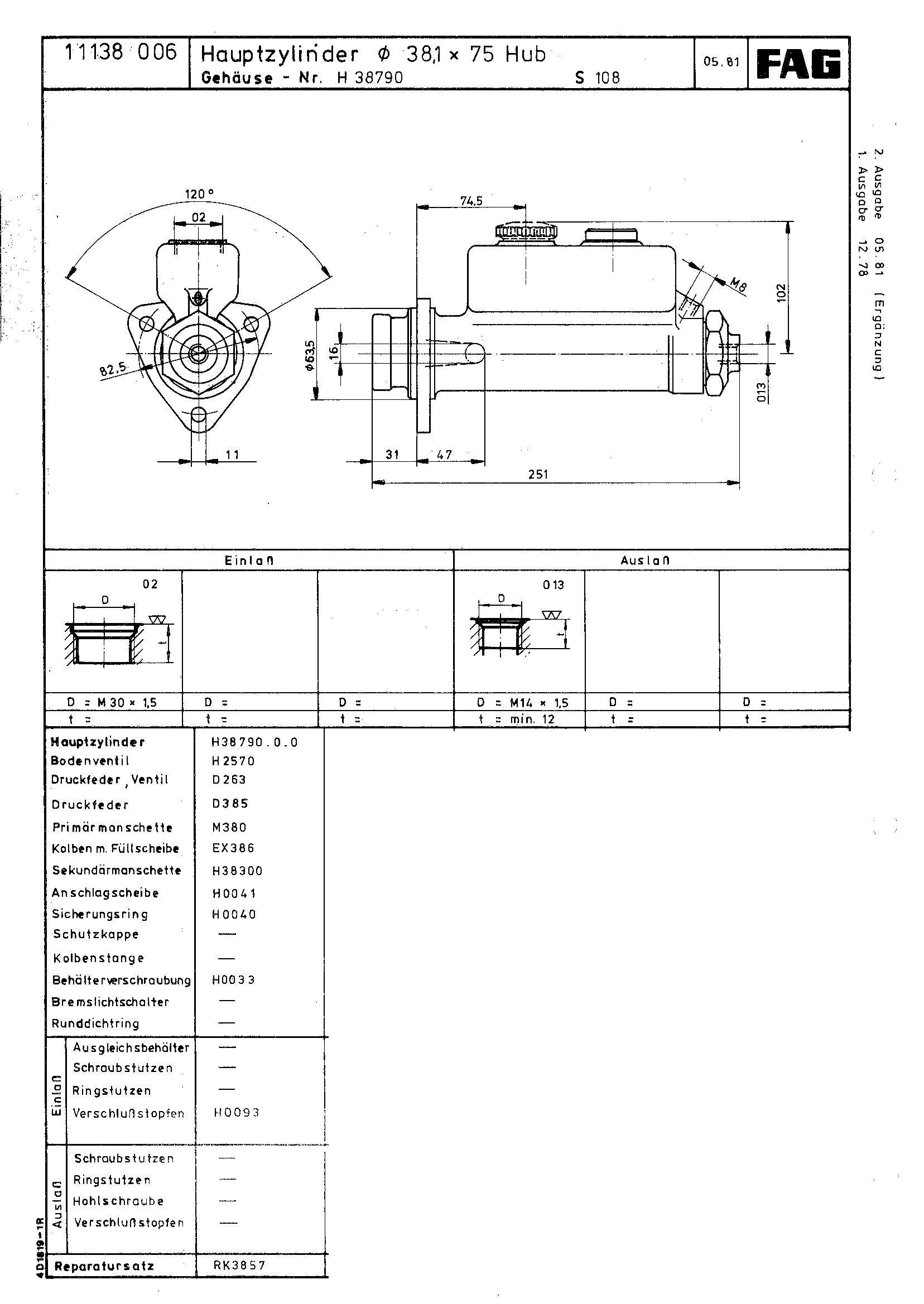
Wenn Du den 38er drin hast, passen meine Nrn oben nicht. Diese müßten für den 31er sein.

Das ist ne gute Frage, welcher da passen könnte. Kann ich Dir gar nicht sagen.

Ich habe meine Listen ein bißchen durchgesehen und da bin ich auf einen Reparatursatz für einen 38er Zylinder gestoßen.
Die FTE Nr dafür ist RK3857.
Dieser könnte passen.

Gruß



tojoe99
Beiträge: 190
Registriert: Fr 6. Jun 2014, 20:10

Re: Atlas 1602, **02 Fahrmotor / Drive Motor

Beitrag von tojoe99 » So 15. Feb 2015, 20:45

Danke. Thank you.



tojoe99
Beiträge: 190
Registriert: Fr 6. Jun 2014, 20:10

Re: Atlas 1602, **02 Fahrmotor / Drive Motor

Beitrag von tojoe99 » Mo 16. Feb 2015, 14:11

Ich schickte eine E-Mail an Bremsen-Schöbel

http://www.bremsen-schoebel.de/101945/i ... hp?deutsch

Ich bin in den Prozess der Kauf einer Reparatur-Set und eine Feder von Herrn Jörg Merkl.



I sent an e-mail to Bremsen-Schoebel

http://www.bremsen-schoebel.de/101945/i ... hp?deutsch

I am in the process of purchasing a repair kit and a spring from Mr. Jörg Merkl.

Brake Cylinder FAG  H38790.jpg



Benutzeravatar
Webmaster
Beiträge: 2451
Registriert: Sa 12. Jan 2013, 10:46

Re: Atlas 1602, **02 Fahrmotor / Drive Motor

Beitrag von Webmaster » Mo 16. Feb 2015, 19:35

Genau, daß ist der Zylinder laut der ET Liste.
Stimmt, an Bremsen Schöbel hab ich ja gar nicht gedacht. Die sind bei mir in der Nähe und machen echt alles in Sachen Bremsen.

Gruß



tojoe99
Beiträge: 190
Registriert: Fr 6. Jun 2014, 20:10

Re: Atlas 1602, **02 Fahrmotor / Drive Motor

Beitrag von tojoe99 » Sa 21. Feb 2015, 13:57

Photo 21-02-2015 A.jpg
eBay.CO.UK "Small Brake Cylinder Hone Triple Leg Engine Honing Bore Flexi Glaze Buster TE751" eBay No.141566794538 £9.25
Photo 21-02-2015 B.jpg



Benutzeravatar
Webmaster
Beiträge: 2451
Registriert: Sa 12. Jan 2013, 10:46

Re: Atlas 1602, **02 Fahrmotor / Drive Motor

Beitrag von Webmaster » Di 24. Feb 2015, 21:31

Wie immer, bestens mit Werkzeug ausgerüstet :) .

Gruß



tojoe99
Beiträge: 190
Registriert: Fr 6. Jun 2014, 20:10

Re: Atlas 1602, **02 Fahrmotor / Drive Motor

Beitrag von tojoe99 » Mi 4. Mär 2015, 20:39

Ein Hauptbremszylinder hat in der Regel zwei Ports. Ein Port ist, den Raum hinter dem Kolben zu füllen, kann der andere, sehr klein (<0,7 mm) -Anschluss der Freisetzung von Restdruck in dem Zylinder, wenn der Zylinder nicht in Betrieb.

Es ist mein Verständnis, dass der kleine Hafen erlaubt auch Bremsflüssigkeit vor dem Kolben am Ende des Bereichs der Feder fließen. Der Kolben kann daher an dem Ende des Zylinders zurück.


A brake master cylinder usually has two ports. One port is to fill the space behind the piston, the other very small (<0.7mm) port allows the release of residual pressure in the cylinder when the cylinder is in not operated.

It is my understanding that the small port also allows brake fluid to flow in front of the piston at the end of the range of the spring. The piston can therefore return to the end of the cylinder.

Master  Cylinder Diagram A.jpg
Master Cylinder Diagram A.jpg (30.04 KiB) 10740 mal betrachtet
Master  Cylinder Diagram B.jpg
Master Cylinder Diagram B.jpg (9.02 KiB) 10740 mal betrachtet
Master  Cylinder Diagram C.jpg
Master Cylinder Diagram C.jpg (23.41 KiB) 10740 mal betrachtet
Photo 04-04-2015 B.jpg
Auf meinem Hauptbremszylinder gibt es nur einen Port. Es scheint eine Position für einen zweiten Port sein. Es hat nicht gebohrt. Könnte dies eine Herstellung Unterlassung sein?

On my master cylinder there is only one port. There appears to be a position for a second port. It has not been drilled. Could this be a manufacturing omission ?
Photo 04-04-2015 A.jpg
eBay.DE Handbohrer + 10 Bohrspitzen 0,7-3mm ebay No. 371269204686 EUR 8.00

Ich habe den zweiten Anschluss (0,7 mm) gebohrt. Hat jeder Leser jemals diese Bremszylinder reparieren lassen? Wurde der zweite Anschluss gebohrt?

I have drilled the second port (0.7mm). Has any reader ever repaired this master cylinder ? Was the second port drilled ?
Photo 05-03-2015 A.jpg
Neuer Frühling und Reparaturset. New spring and repair kit.
Photo 05-03-2015 B.jpg
Photo 05-03-2015 C.jpg


Eine neue Bremszylinder können gekauft werden:
A new brake master cylinder can be bought at:

http://www.lkw-restauration.de/index.ht ... 0Hydraulik

Hauptzylinder FAG H 38790 , H 3890 38,1 x 75 mm Hub
Best.Nr: SV 13301 1 Stk. 690,00 EUR incl. MwSt.

Ein Reparatur-Set ist viel billiger. A repair kit is a lot cheaper.
New Master Cylinder.png



Benutzeravatar
Webmaster
Beiträge: 2451
Registriert: Sa 12. Jan 2013, 10:46

Re: Atlas 1602, **02 Fahrmotor / Drive Motor

Beitrag von Webmaster » Fr 6. Mär 2015, 11:30

Leider hab ich noch keinen überholen lassen. Kann Dir da nicht weiterhelfen.
Wow 690,-- Euro.
Ich hab für einen damals ca. 220,-- gezahlt.

Gruß



tojoe99
Beiträge: 190
Registriert: Fr 6. Jun 2014, 20:10

Re: Atlas 1602, **02 Fahrmotor / Drive Motor

Beitrag von tojoe99 » Fr 6. Mär 2015, 14:14

eBay.DE "Reparatursatz, Hauptbremszylinder AUTOFREN D1325" eBay-Artikelnummer: 161453818236 EUR 3,43 (inkl. MwSt.)



tojoe99
Beiträge: 190
Registriert: Fr 6. Jun 2014, 20:10

Re: Atlas 1602, **02 Fahrmotor / Drive Motor

Beitrag von tojoe99 » Mi 11. Mär 2015, 14:24

Photo 11-03-2015 A.jpg
Alle vier Räder vom Boden abgehoben. Die Fußbremse gesperrt alle vier Räder - keine Bewegung erkannt.

Eingriff mit der Getriebe, der Hydraulikmotor gedreht alle vier Räder. Leider ist die Fußbremse nicht zu stoppen alle vier Räder.

Ich glaube, dass es eine Verbindung zwischen dem Fuß und der Bremshydrauliksteuerung der Hydraulikmotor - wenn die Fußbremse betätigt wird, wird der Hydraulikmotor auf eine niedrige Drehmomentmodus geändert.

All four wheels were raised off the ground. The foot brake locked all four wheels - no movement detected.

With the gear engaged, the hydraulic motor turned all four wheels. Unfortunately the foot brake did not stop all four wheels.

I believe that there is a link between the foot brake and the hydraulic controls of the hydraulic motor - when the foot brake is applied, the hydraulic motor is changed to low torque mode.
Photo 11-03-2015 B.jpg
Photo 11-03-2015 G.jpg
Photo 11-03-2015 C.jpg
Photo 11-03-2015 D.jpg
Leider ist die Handbremse nicht funktionsfähig ist. Es scheint einen Bremsmechanismus innerhalb der Bremstrommel ist. Ich kann ein Mittel, mit dem er aktiviert wird nicht gefunden - gibt es keinen offensichtlichen pneumatisch, hydraulisch oder Kabelverbindung. Ist die Werkstatthandbuch müssen Anweisungen für die Reparatur oder Einstellung der Handbremse? Ist es möglich, daß die Bremstrommel ist ein Überbleibsel der Evolution - wie der menschliche Blinddarm?

Unfortunately the handbrake is not functional. There appears to be a brake mechanism inside the brake drum. I cannot find a means by which it is activated - there is no obvious pneumatic, hydraulic or cable connection. Does the workshop manual have instructions for repairing or adjusting the handbrake ? Is it possible that the brake drum is a vestige of evolution - like the human appendix ?
Photo 11-03-2015 E.jpg
Photo 11-03-2015 F.jpg
Es scheint einen hydraulischen / pneumatischen Ventil, das die Fußbremse, die Handbremse und den hydraulischen Fahrmotor verknüpft ist. Hat jeder Leser jemals dieses Ventil reparieren lassen? Gibt es ein Schaltbild für dieses Ventil? Ist die Werkstatthandbuch müssen Anweisungen für die Reparatur oder der Einstellung des Ventils?

There appears to be a hydraulic / pneumatic valve that links the foot brake, the hand brake and the hydraulic travel motor. Has any reader ever repaired this valve ? Is there a circuit diagram for this valve ? Does the workshop manual have instructions for repairing or adjusting this valve ?



Antworten