ATLAS AB 1602D (Bj. 1981,162M24254) Infos, Reparatur

Platz für Diskussionen und Lösungen rund um Reparaturen
Benutzeravatar
Webmaster
Beiträge: 2451
Registriert: Sa 12. Jan 2013, 10:46

Re: ATLAS AB 1602D (Bj. 1981,162M24254) Infos, Reparatur

Beitrag von Webmaster » Mi 27. Aug 2014, 21:36

Das ist das Standlichtbirnchen, 12V4W.
Schau Dir die Kontakte an, wenn se stark oxidiert sind, würde ich es neu machen, ansonsten mit Kontaktspray etwas einsprühen.
Wenn Du die Hella Nr. von dem Stecker benötigst, sag bescheid, dann such ich se Dir heraus.

Gruß



tojoe99
Beiträge: 190
Registriert: Fr 6. Jun 2014, 20:10

Re: ATLAS AB 1602D (Bj. 1981,162M24254) Infos, Reparatur

Beitrag von tojoe99 » Mi 27. Aug 2014, 22:19

Welche Glühbirnen soll ich kaufen?

Which light bulbs should I buy ?

Der Atlas Teilliste erwähnt RL 1221 H 123, HL 124, A 1245/40

The Atlas parts list mentions RL 1221, H 123, HL 124, A 1245 /40



tojoe99
Beiträge: 190
Registriert: Fr 6. Jun 2014, 20:10

Re: ATLAS AB 1602D (Bj. 1981,162M24254) Infos, Reparatur

Beitrag von tojoe99 » Do 28. Aug 2014, 15:56

eBay.CO.UK 2 x RU472 Bulb 12v 60/55w H4 P43t Halogen Headlamp Bulb £1.99

eBay.CO.UK 2 x (PAIR) LUCAS LLB233 BAY9S T4W 12v 4W MCC CAR BULB SIDELIGHT £2.29
Zuletzt geändert von tojoe99 am Do 28. Aug 2014, 17:32, insgesamt 1-mal geändert.



Benutzeravatar
Webmaster
Beiträge: 2451
Registriert: Sa 12. Jan 2013, 10:46

Re: ATLAS AB 1602D (Bj. 1981,162M24254) Infos, Reparatur

Beitrag von Webmaster » Do 28. Aug 2014, 16:11

Ja genau, des sind se.

Gruß



tojoe99
Beiträge: 190
Registriert: Fr 6. Jun 2014, 20:10

Re: ATLAS AB 1602D (Bj. 1981,162M24254) Infos, Reparatur

Beitrag von tojoe99 » Do 28. Aug 2014, 17:31

LED-Technologie LED Technology
LED Light.jpg
LED Light.jpg (3.05 KiB) 9004 mal betrachtet
eBay.CO.UK 2 T10 T11 BA9S T4W 1895 White LED Car Auto Light Bulb Lamp 12V £0.99



Benutzeravatar
Webmaster
Beiträge: 2451
Registriert: Sa 12. Jan 2013, 10:46

Re: ATLAS AB 1602D (Bj. 1981,162M24254) Infos, Reparatur

Beitrag von Webmaster » Do 28. Aug 2014, 22:24

:shock: :shock:



tojoe99
Beiträge: 190
Registriert: Fr 6. Jun 2014, 20:10

Re: ATLAS AB 1602D (Bj. 1981,162M24254) Infos, Reparatur

Beitrag von tojoe99 » Mo 23. Mär 2015, 19:55

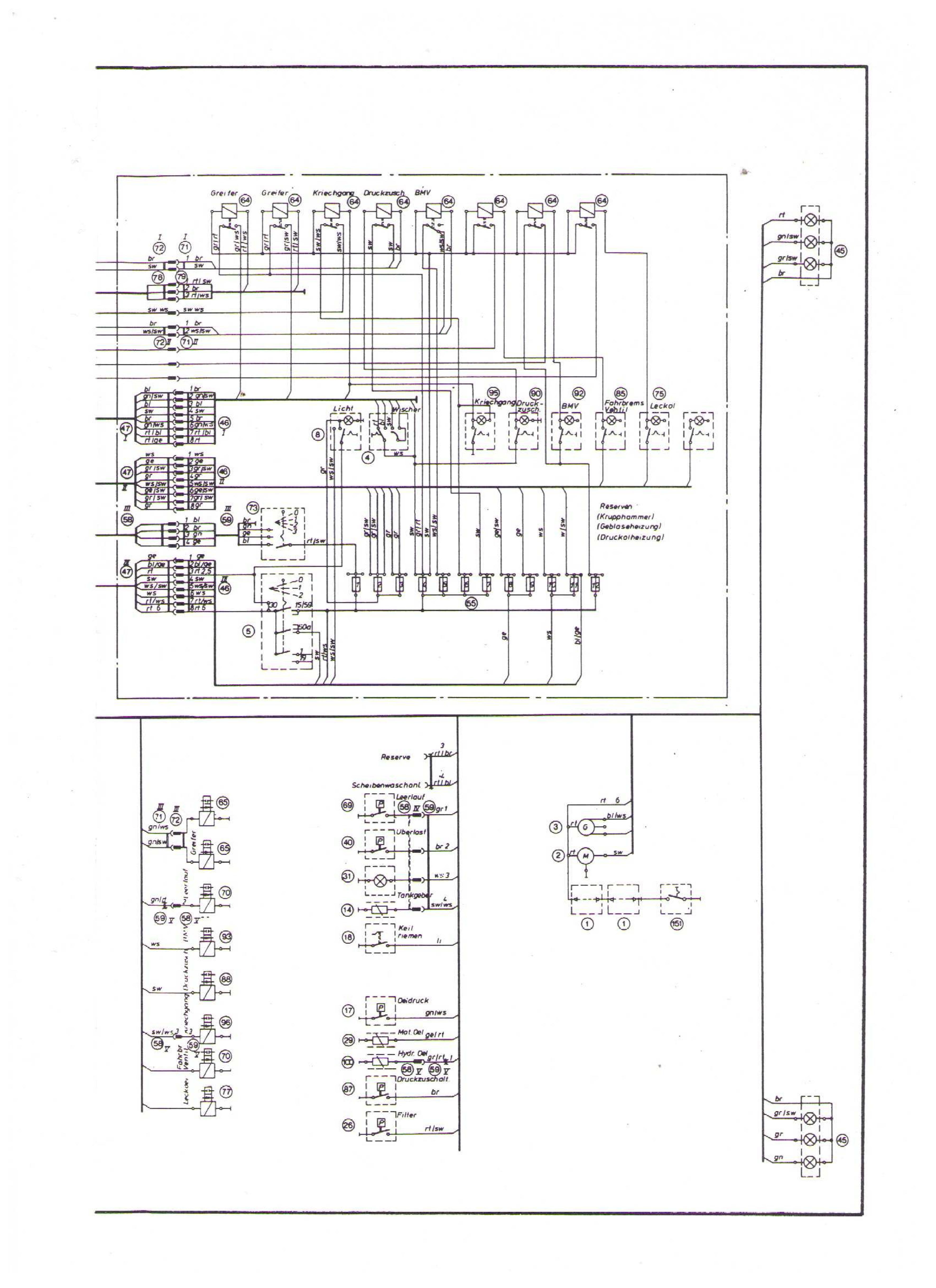
Circuit Diagram P 16  JPG.jpg
Die elektrischen Schaltplan in der Stückliste, ist ein wenig schwer zu lesen.

Hat jeder Leser eine klarere Kopie?

Danke,
Tony M.

The electrical circuit diagram in the parts list, is a little difficult to read.

Does any reader have a clearer copy ?

Thank you,
Tony M.



Benutzeravatar
Webmaster
Beiträge: 2451
Registriert: Sa 12. Jan 2013, 10:46

Re: ATLAS AB 1602D (Bj. 1981,162M24254) Infos, Reparatur

Beitrag von Webmaster » Mo 23. Mär 2015, 21:00

Ich muß mal in meinen Unterlagen nachsehen, da könnte etwas dabei sein.
Kann aber bis zum Wochenende ca. dauern. Bin am Umzug und hab meine Unterlagen schon verpackt :lol: .

Gruß



tojoe99
Beiträge: 190
Registriert: Fr 6. Jun 2014, 20:10

Re: ATLAS AB 1602D (Bj. 1981,162M24254) Infos, Reparatur

Beitrag von tojoe99 » Di 24. Mär 2015, 09:03

Danke. Thank you.



tojoe99
Beiträge: 190
Registriert: Fr 6. Jun 2014, 20:10

Re: ATLAS AB 1602D (Bj. 1981,162M24254) Infos, Reparatur

Beitrag von tojoe99 » Mi 1. Apr 2015, 20:55

AB 1302D Elektroplan Mobilbagger.2-JPG.jpg
AB 1302D Elektroplan Mobilbagger.pdf
(987.17 KiB) 424-mal heruntergeladen
Elektroplan 02D  Armaturenplatte.2-JPG.jpg
Elektroplan 02D Armaturenplatte.pdf
(1.38 MiB) 408-mal heruntergeladen
Elektroschaltplan AB 1122D - AB 1802E.1-JPG.jpg
Elektroschaltplan AB 1122D - AB 1802E.2-JPG.jpg
Elektroschaltplan AB 1122D - AB 1802E.pdf
(504.54 KiB) 450-mal heruntergeladen

Unsere immer hilfreich Webmaster, Daniel hat Schaltpläne zur Verfügung gestellt. Sie sind sehr nützlich.

Our always helpful webmaster, Daniel, has made circuit diagrams available. They are very useful.



Antworten